60Hz Energias

Este é o manual da Bomba Solar Samking, por favor leia todo manual e se tiver qualquer dúvida entre em contato com a nossa assistência técnica por whatsapp ou telefone.

Para adquirir as bombas Samking Clique Aqui.

Introdução

As bombas solares Samking utilizam a energia elétrica fornecida pelos painéis fotovoltaicos e o seu motor helicoidal para garantir um fluxo contínuo de água mesmo em condições de irradiação solar variando ao longo do dia.

A tecnologia de motor de ímã permanente assegura uma alta eficiência do sistema, exigindo menos painéis fotovoltaicos para operar. Ela é projetada para um uso sem manutenção.

É a solução ideal para fornecimento de água em áreas remotas, onde o fornecimento de eletricidade da rede elétrica é instável ou não existente.

Características e Proteção:

  • Motor BLDC (sem escovas) de alta eficiência;
  • MPPT e controle vetorial de alta eficiência;
  • Controlador integrado;
  • Motor selado, nao poluindo a água;
  • Rolamentos de alta confiabilidade;
  • Proteção contra funcionar sem água;
  • Proteção de sobrecarga;
  • Proteção de sobretensão;
  • Proteção de subtensão;
  • Proteção de perda de fase;
  • Proteção para motor trancado;

Funções do display:

  • Tensão, corrente, potencia;
  • Monitoramento por GPRS opicional;
Bomba Smaking com Display

Motor e Bomba

Bomba centrífuga de múltiplos estágios com impulsores radiais ou semi-axiais. Bomba e motor acoplados diretamente com acoplamento rígido.

Impulsores montados em anéis de folga flutuante feitos de material sintético de baixa abrasão, e difusores de polímero técnico que conferem resistência significativa ao desgaste da bomba. Impulsores de aço inoxidável e plástico, ou SUS304, ou SUS316 disponíveis.

Revestimento da bomba, eixo e acoplamento, peneira e capa do cabo em aço inoxidável. Suporte da base e cabeça superior construído em microfundido AISI 304 de aço inoxidável; válvula de retenção incorporada na cabeça.

O projeto inovador da extremidade molhada confere à bomba capacidades superiores de manipulação de areia e proporciona operação livre de manutenção.

Extremidade de bomba em aço inoxidável ou extremidade de bomba de impulsor plástico estão disponíveis.

Motores são motores BLDC de alta eficiência especialmente projetados para sistemas de bombas solares. Adotam estrutura de blindagem, material todo em aço inoxidável, processo de soldagem, garantindo alta confiabilidade a longo prazo do motor, livre de manutenção. Sistema de rolamento de esferas de empuxo, operando sempre completo de água, garantindo operação mais estável e vida útil mais longa.

Sem óleo, mais limpo e menos poluente.

Todos os tipos diferentes de motores são diferentes. 

Ao usar, preste atenção à correspondência de voltagem e requisitos de potência.

A velocidade do motor da bomba centrífuga varia de 1000 a 4000 rpm, dependendo da entrada de potência e da carga.

Aqui estão alguns dos parâmetros de instalação utilizados:

  • A profundidade máxima de submersão é de 150m;
  • O teor de sedimentos da fonte de água não deve exceder 120g/m³;
  • Temperatura da água recomendada de 0 a 40°C;
  • Máximo empuxo axial de 4” 3000N, máximo empuxo axial de 3” 1500N.

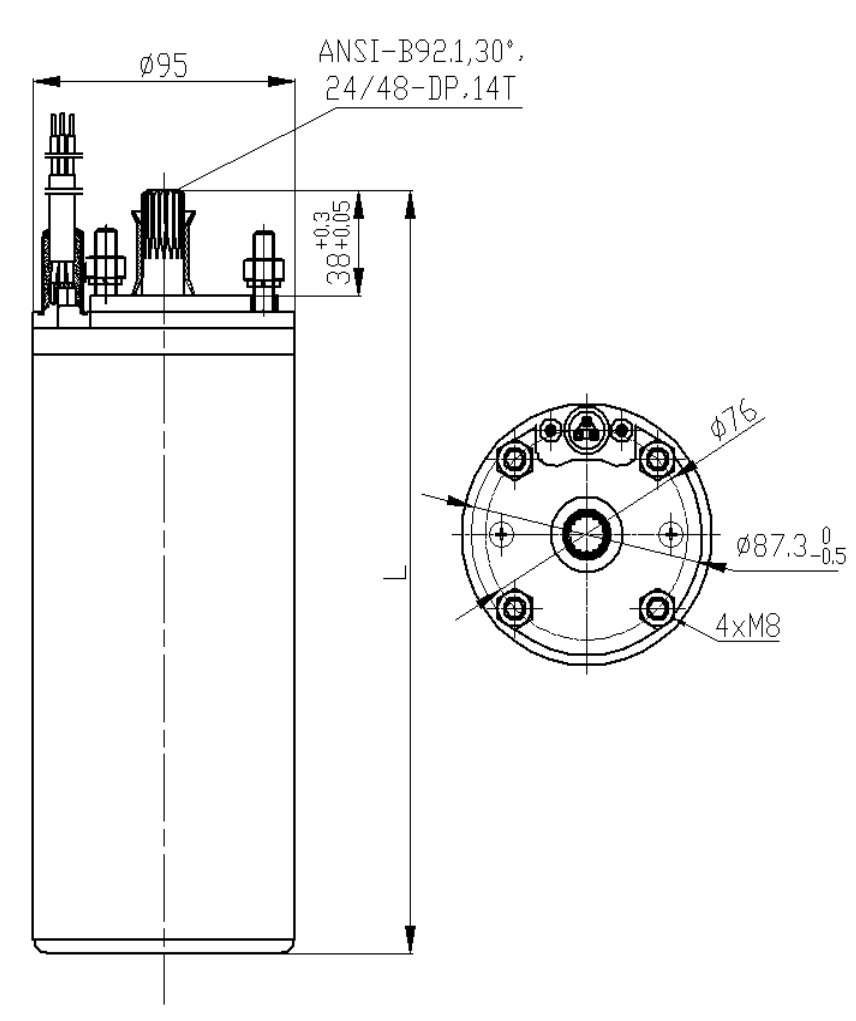
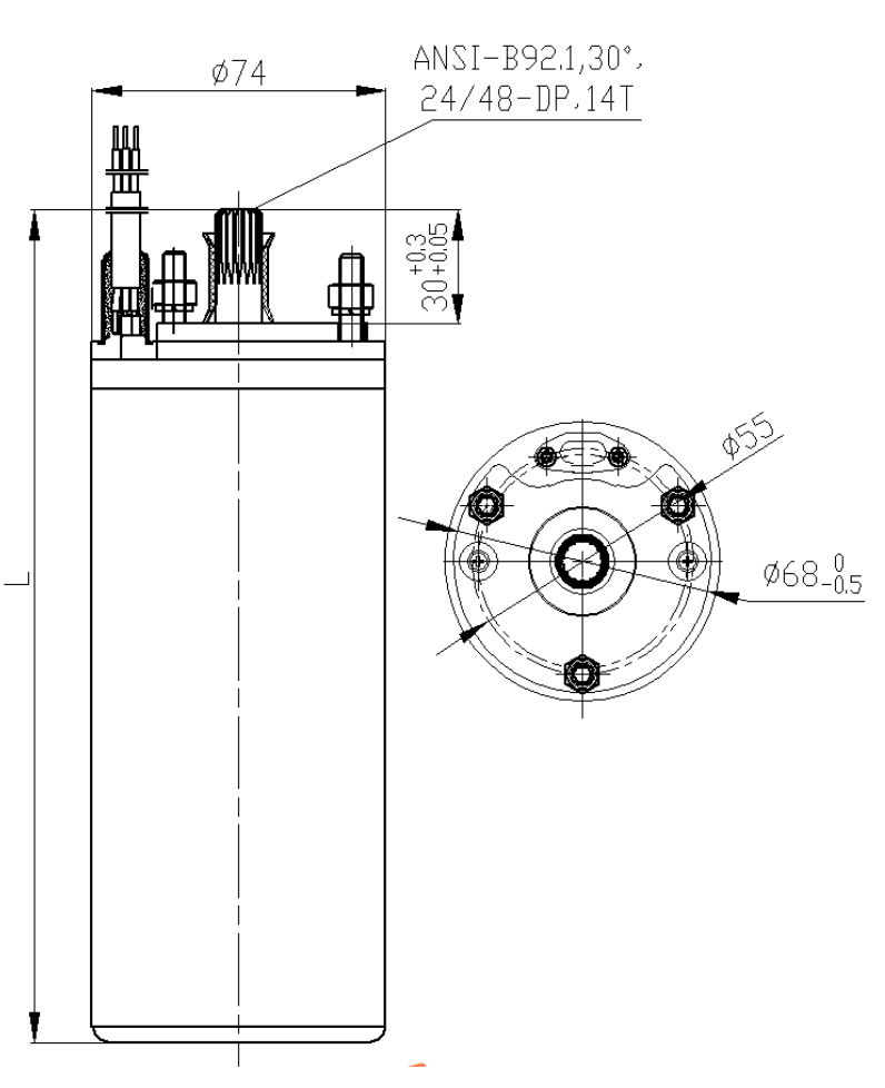
Dimensões do motor

Manual Bomba Samking Dimensões 1Hp

Manual Bomba Samking Dimensões 3Hp
0.3 – 1 Hp1.5 – 3Hp 
Dimensões

Display

O display não é uma parte necessária do sistema de bomba. No entanto, ele oferece mais funções e proteções para o sistema de bomba, tornando o sistema mais conveniente e inteligente. 

Por exemplo: controle de nível de água por terminal de boia flutuante; monitoramento remoto GPRS e controle, etc.

Dois modelos estao disponíveis: SK4000 e SK5000.

SK4000

  • LED Power (Alimentação): O LED estará ligado quando houver alimentacao de energia;
  • LED Run (Funcionamento): O LED indica se a bomba está ligada ou desligada;
  • LED Dry (Seco): Alarme de proteção contra bomba a seco, associado aos terminais WWL ou baixa potência;
  • LED Tank (Tanque): Alarme de proteção contra reservatório de água cheio, associado aos terminais TWL;
Manual Bomba Samking SK4000

SK5000

  • LED Power (Alimentação): O LED estará ligado quando houver alimentacao de energia;
  • LED Run (Funcionamento): O LED indica se a bomba está ligada ou desligada;
  • LED Dry (Seco): Alarme de proteção contra bomba a seco, associado aos terminais WWL ou baixa potência;
  • LED Tank (Tanque): Alarme de proteção contra reservatório de água cheio, associado aos terminais TWL;
  • LED V: Quando este indicador está aceso, a Voltagem é exibida;
  • LED A: Quando este indicador está aceso, a Corrente é exibida;
  • LED W: Quando este indicador está aceso, o Valor de Potência é exibido;
  • LED Fault (Falha): Alarme para Diversas falhas;

Pressione Switch para alternar entre V, A, W;

Manual Bomba Samking SK5000

Conexões elétricas

Manual Bomba Samking Bornes

2wXkyHYL5E5hDmHKms dM2XLHE6D36qOQMDrsvmXMoObPaT3WstSbydSsUTSK2lBs6FjUssBz 57JQ4H n9Q9EVgjtKumtU9YPb106uu RgXs068s4Vu7fQR07fyesEsMG JngEOa3DL
Atenção!! A tensão Voc dos painéis não pode ultrapassar o limite da bomba, senão vai danificar o produto e não é coberto pela garantia.
Atenção!

Alarmes e falhas

ErroSignificadoCausa e Solução
P51Proteção contra sobretensãoA tensão está maior do que o especificado para a bomba
E10Falha em componente da placaPlaca danificada, precisa retornar para assistência.
E11Falha em componente da placaPlaca danificada, precisa retornar para assistência
Alarmes e Falhas

Esquema de ligação

Utilizando o display

Manual Bomba Samking Esquema Ligação com Display
  1. Painel Solar;
  2. Válvula de retorno (opcional);
  3. Emenda nos cabos, a prova de água;
  4. Válvula para baixo nível de água no poço (opcional)
  5. Anodo de sacrifício (opcional)
  6. Bomba e motor 
  7. Corda de segurança
  8. Boia de nível para o reservatório (opcional)
  9. Display
  10. Aterramento
  11. GPRS (opcional)

A bomba Samking é de fácil operação. Por favor, leia atentamente o manual. Qualquer dúvida entre em contato.
Atenção!

Sem utilizar o display

Manual Bomba Samking Esquema Ligação sem Display
  1. Painel Solar;
  2. Válvula de retorno (opcional);
  3. Emenda nos cabos, a prova de água;
  4. Anodo de sacrifício (opcional)
  5. Bomba e motor 
  6. Corda de segurança
  7. Boia de nível para o reservatório (opcional)
  8. Aterramento
  9. Disjuntor

A bomba Samking é de fácil operação. Por favor, leia atentamente o manual. Qualquer dúvida entre em contato.
Atenção!

Instalação do Sistema

Fonte de água

A fonte de água deve ser de “água limpa”, livre de contaminantes como sujeira, poeira, pedras soltas, matéria orgânica em decomposição e outros corpos estranhos que possam obstruir a tela de entrada ou danificar o conjunto do impulsor. O teor de areia não deve exceder 120g/m³ da água bombeada.


Um poço novo deve estar limpo antes da instalação. Uma bomba helicoidal NUNCA deve ser usada para esvaziar um novo poço. A garantia não cobre falhas ou desgaste devido a abrasivos na água.
Atenção!

Instalação da Bomba

Antes de colocar a bomba no poço, faça um teste de funcionamento no tanque para garantir que a bomba esteja funcionando normalmente;

Certifique-se de que a bomba esteja completamente submersa na água;

Ao instalar a bomba, é necessário manter uma certa distância do fundo. Evite que a areia entre e danifique a bomba.

→ Em um poço, a bomba deve manter 1,5m de distância do fundo no mínimo;

→ Em água aberta, como rio, mantenha 0,3 m no mínimo.

Ângulo de instalação permitido da bomba: 0-90°.

Temperatura de operação permitida: 0-40℃.

Manual Bomba Samking Inclinação da Bomba

Requisitos para Dissipação de Calor

Em todas as posições de instalação, o motor deve estar completamente submerso e um fluxo mínimo de água através da superfície do motor deve ser mantido.

0,5 m/s para motor de 3 polegadas e 0,8 m/s para motor de 4 polegadas.

Para induzir o fluxo correto de água através do motor, use um tubo de indução de fluxo quando:

  • O diâmetro do poço é muito grande em relação ao diâmetro do motor para induzir o fluxo correto.
  • Motor e bomba estão em água aberta como uma lagoa.
  • Motor e bomba estão em um poço de pedra ou em uma sisterna.
  • O poço é alimentado pela parte superior (a água entra na entrada sem passar pelo motor).
  • Motor e bomba estão montados em telas.
Manual Bomba Samking Dissipação de Calor

Instalação da Boia

  • A Boia de Nível Baixo

A boia de nível baixo é instalada no terminal WWL para evitar o funcionamento a seco.


É opcional para bombas centrífugas, mas deve ser instalada para bombas helicoidais para evitar o funcionamento a seco.
Atenção!

A boia de nível baixo deve ser instalada verticalmente a 150 mm acima da saída da bomba.

Quando o nível da água aumenta, a bomba reiniciará após um atraso de 10 minutos. O indicador LED RUN piscará no SK4000; O visor mostrará a contagem regressiva do tempo de atraso no SK5000.

A Boia de Nível Baixo só pode ser usada no sistema com Display.

Tensão ≤ 100V;

Corrente ≤ 1A.

Manual Bomba Samking Boia de nível Baixo
  • A Boia de Nível Alto

A boia de nível alto é instalada no terminal TWL para evitar que o tanque transborde.

Para evitar que a bomba inicie e pare frequentemente, ajuste a boia para uma faixa de oscilação adequada.

Quando a boia está “fechada”, a bomba reiniciará após um atraso de 10 minutos. O indicador LED RUN piscará no SK4000; O visor mostrará a contagem regressiva do tempo de atraso no SK5000.

Para evitar que a bomba inicie e pare frequentemente, ajuste a boia para uma faixa de oscilação adequada.

Em sistemas sem monitor, as bolas flutuantes podem ser conectadas em série no circuito.

Manual Bomba Samking Boia de nível Alto

Interruptor de Pressão e Boia mecânica

Quando o encanamento é muito longo, não é conveniente instalar o cabo da boia flutuante longe da bomba.

O interruptor de pressão e a boia mecânica são uma alternativa à boia de nível alto.

A boia mecânica é instalada na saída do encanamento. Quando o tanque de água está cheio, a boia é fechada e a pressão do encanamento aumenta.

Quando o interruptor de pressão muda de estado, a bomba para de funcionar, alterando o estado TWL ou WWL.

Quando o nível da água do tanque cai, a bomba volta a funcionar.

Interruptor de pressão normalmente fechado conectado ao terminal TWL.

Interruptor de pressão normalmente aberto conectado ao terminal WWL.

Manual Bomba Samking Boia Mecânica

Instalação do Monitor

O Painel de Monitoramento SAMKING tem classificação IP65, no entanto, é recomendável que o painel não seja instalado sob luz solar direta. É recomendado instalá-lo na parte de trás de painéis solares ou em um ambiente com boa dissipação de calor, como um quarto ou armário de controle.

Válvula de retenção

A válvula de retenção pode prevenir eficazmente danos de impacto causados pelo golpe de água na bomba. É recomendado instalar uma válvula de retenção a cada 70m de altura vertical do encanamento.

Em áreas onde a água congela no inverno, ao instalar a válvula de retenção, é necessário considerar o escoamento do encanamento ou proteção do encanamento.

Manual Bomba Samking Válvula de retenção

GPRS

O módulo integrado GPRS/RMS é um sistema de monitoramento e operação remota especialmente projetado para sistemas de bombas solares. O módulo GPRS está integrado ao Monitor. Os clientes podem verificar o estado de funcionamento da bomba e controlar o início e a parada por meio de um terminal web ou aplicativo de celular.

O GPRS é um item opcional do Monitor, nem todos possuem essa função.

Funções:

  • Verificar os parâmetros de operação do dispositivo, como tensão, corrente, potência instantânea, potência PV e fluxo da bomba;
  • Indicação de anormalidades, quando a tensão e corrente de funcionamento do equipamento estiverem anormais.
  • Iniciar e parar o equipamento pelo terminal da web e do aplicativo.
  • Visualização e download do histórico.

Operação:

  • Abrir o Display, instalar o cartão SIM e a antena;
  • Inserir o ID e senha no site de login;
  • Configurar corretamente o modelo da bomba e a altura de elevação.

Observação: As operações específicas podem ser consultadas no manual de instruções do GPRS.

Especificação do Cabo

Posicione os painéis solares e o Display o mais próximo possível da sua fonte de água.

É importante minimizar as perdas de energia para garantir que as expectativas de desempenho sejam atendidas.

Os seguintes parâmetros são calculados com base na perda de energia não excedendo 8% e na queda de tensão não excedendo 5%.

PotênciaEspecificação do cabo (mm²)
2.546101625
Comprimento máximo permitido do cabo (m)
3SPN 2-7 1/2HP335278130209326
3SPN 1-11P 3/4HP 5487130217348543
4SPN 2-11P 1.5HP82130196326522/
Especificação do Cabo

2wXkyHYL5E5hDmHKms dM2XLHE6D36qOQMDrsvmXMoObPaT3WstSbydSsUTSK2lBs6FjUssBz 57JQ4H n9Q9EVgjtKumtU9YPb106uu RgXs068s4Vu7fQR07fyesEsMG JngEOa3DL
Comprimento total do cabo medido dos painéis solares ao motor da bomba.Não use o cabo para suportar o peso da bomba nem para tensionar o cabo. O cabo deve estar sem pressão.O cabo de descida deve ser fixado a intervalos de três metros por uma fita subaquática adequada, com folga entre cada intervalo.
Atenção!

Emendas do Cabo

O contato efetivo e a impermeabilidade da junção da linha de extensão do cabo são condições necessárias para o funcionamento do sistema da bomba por um longo período.

O método errado pode levar a fuga elétrica, causar a inoperância do sistema da bomba ou corrosão, e até mesmo causar ferimentos pessoais.

A fábrica fornece um método e material de fiação eficaz, por favor, siga os passos na imagem.

Manual Bomba Samking Emenda do Cabo

Instalação dos painéis fotovoltaicos


2wXkyHYL5E5hDmHKms dM2XLHE6D36qOQMDrsvmXMoObPaT3WstSbydSsUTSK2lBs6FjUssBz 57JQ4H n9Q9EVgjtKumtU9YPb106uu RgXs068s4Vu7fQR07fyesEsMG JngEOa3DL
Atenção!!

A alimentação proveniente de uma fonte de corrente contínua, como painéis solares, pode causar DANOS GRAVES ou MORTE.

Utilize procedimentos de segurança adequados ao trabalhar em qualquer componente do sistema.

Somente pessoal qualificado deve realizar conexões/desconexões elétricas.

Equipamentos elétricos fora da rede estão sujeitos a normas elétricas regionais e nacionais aplicáveis.

Trate sempre os painéis solares como ENERGIZADOS e manuseie com cuidado.

Utilize cabos e conectores elétricos com classificação correta.

Ao trabalhar com os painéis fotovoltaicos durante a instalação, se possível cubra-os para reduzir a potência captada.

Glossário de Termos Elétricos de Painéis Solares

TermoDefinição
VOC(V)Voltagem de circuito aberto, nada conectado
Vmp(V)Voltagem no ponto de máxima potência, sob carga
Isc(A)Corrente de curto-circuito
Imp or Impp(A)Corrente no ponto de máxima potência
Glossário de Termos Elétricos de Painéis Solares

Conexão dos painéis solares (recomendado utilizar em série)

Para tornar o sistema mais seguro e eficaz, a corrente de entrada máxima desta série de bombas é limitada a 10A. Portanto, o sistema de painéis solares em paralelo não vão atingir a máxima eficiência. Geralmente, são recomendados painéis solares em série.

No sistema de painéis solares em série, VOC, Vmp e Potência são calculados da seguinte forma:

VOC do Sistema = VOC de cada painel solar × Número de painéis solares;

Vmp do Sistema = Vmp de cada painel solar × Número de painéis solares;

Potência do Sistema = Potência de cada painel solar × Número de painéis solares;

Manual Bomba Samking Conexão dos Painéis

Limitações de Energia e Especificação de cada motor

MotorVmpMax. VOCMax. CorrentePainéis Recomendados
3SPN 2-7 1/2HP60-11015015A550W*2 ou
3SPN 1-11P 3/4HP 40-7610015A550W*2 ou
4SPN 2-11P 1.5HP60-38045010A550W*4 ou 
Limitações de Energia e Especificação de cada motor

O sistema de bombas não deve exceder a voltagem VOC permitida, caso contrário, isso causará danos à bomba e até mesmo danos pessoais. 

Danos causados por voltagem incorreta não estão cobertos pela garantia.

Considerações para Instalação dos painéis solares

A direção de instalação dos painéis solares deve ser determinada de acordo com a posição de instalação. Os painéis solares devem estar voltados para o norte.

O ângulo dos painéis solares deve corresponder à latitude do local. Caso tenha alguma dúvida entre em contato para lhe auxiliarmos.

Qualquer sombreamento reduzirá o desempenho dos painéis aolres, portanto, posicione os painéis levando isso em consideração. Um painel apenas na sombra vai prejudicar todos os outros.

Poeira ou excrementos de aves prejudicarão a potência. Mantenha os painéis limpos.

Assegure-se de que os painéis solares estejam aterrados no solo em caso de raio.